We're Hiring
- Technical Assistant / GET / Service Engineer (PAN India)
- GET / Sales Executive (PAN India)
- GET / Service Executive (PAN India)
Please send your resume to careers@ricelake.co.in or visit our Careers Page for more information.
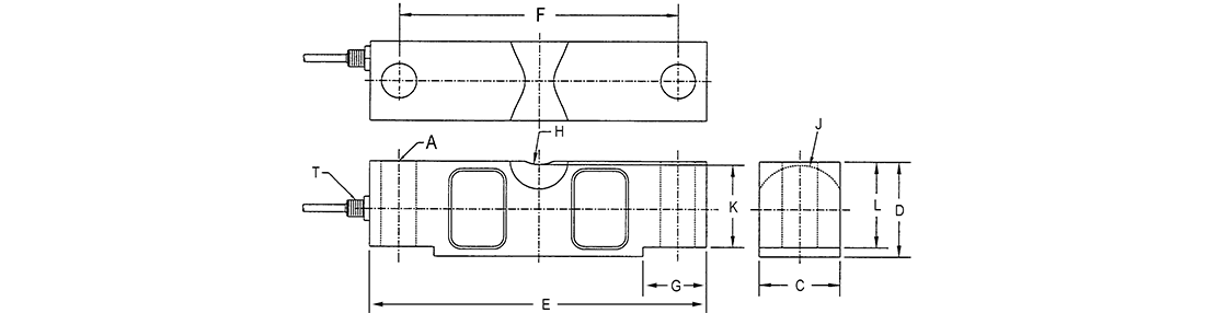
Rice Lake RL75058I for Coil Scale Load Cell
Nickel plated and environmentally sealed with stainless steel side plates. Used in the Rice Lake Weighing Systems coil scale. 20,000 to 75,000 lb, complete with 35 ft of load cell cable.
RL75058I Specifications
|
Full Scale Output: Output Resistance: Input Resistance: Material/Finish: Temperature: Seal Type: |
Safe Overload: Safe Sideload: Rated Excitation: Combined Error: Insulation Resistance: Cable Length: |
Cable Diameter: Cable Coloring Code: Warranty: Approvals: |
